



型號(hào) | WSH-2T | WSH-3T | WSH-5T | WSH-10T | WSH-15T | WSH-20T | WSH-30T | WSH-40T | WSH-50T | WSH-100T |
梯形螺紋 直徑 螺距 | φ25 P=5 | φ32 P=6 | φ38 P=6 | φ50 P=8 | φ65 P=10 | φ75 P=12 | φ80 P=12 | φ90 P=14 | φ100 P=16 | φ100 P=16 |
減速比 | 1/5 1/10 1/20 | 1/6 1/12 1/24 | 1/6 1/12 1/24 | 1/8 1/16 1/32 | 1/8 1/16 1/32 | 1/10 1/20 1/40 | 1/12 1/18 1/36 | 1/12 1/18 1/36 | 1/7 1/14 1/28 | 1/8 1/16 1/32 |
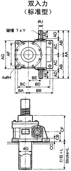
AA | 170 | 220 | 220 | 256 | 264 | 316 | 390 | 420 | 480 | 550 |
AB | 85 | 110 | 110 | 128 | 132 | 158 | 195 | 210 | 240 | 275 |
AC | 55 | 70 | 70 | 88 | 92 | 108 | 130 | 145 | 170 | 180 |
AD | 30 | 40 | 40 | 40 | 40 | 50 | 65 | 65 | 70 | 95 |
AE | 25 | 35 | 35 | 35 | 35 | 45 | 60 | 60 | 65 | 90 |
AF | 66 | 80 | 90 | 100 | 110 | 140 | 190 | 210 | 240 | 250 |
AG | 90 | 110 | 120 | 140 | 150 | 180 | 230 | 260 | 300 | 320 |
AH | 70 | 80 | 100 | 100 | 120 | 150 | 165 | 194 | 218 | |
BA | 50 | 57 | 60 | 90 | 90 | 95 | 110 | 130 | 160 | 170 |
BB | 85 | 98 | 110 | 140 | 140 | 155 | 200 | 225 | 255 | 285 |
BC | 38 | 42 | 45 | 70 | 70 | 75 | 85 | 105 | 130 | 135 |
BD | 73 | 83 | 95 | 120 | 120 | 135 | 175 | 200 | 225 | 250 |
BE | 35 | 40 | 50 | 60 | 63 | 70 | 100 | 120 | 130 | 150 |
CB | 40 | 50 | 50 | 60 | 60 | 70 | 85 | 100 | 120 | 125 |
CC | 15 | 18 | 18 | 20 | 20 | 25 | 30 | 30 | 30 | 32 |
CF | 110 | 130 | 130 | 160 | 160 | 180 | 220 | 260 | 315 | 345 |
φG | 44.5 | 51 | 63.5 | 70 | 82.6 | 95.3 | ||||
φU | 15 | 18 | 18 | 25 | 25 | 28 | 32 | 35 | 45 | 50 |
T×V | 5×3 | 6×3.5 | 6×3.6 | 8×4 | 8×4 | 8×4 | 10×5 | 10×5 | 14×5.5 | 14×5.5 |
L | Stroke +55 | Stroke +60 | Stroke +60 | Stroke +60 | Stroke +65 | Stroke +75 | ||||
φLA | 130 | 130 | 165 | 165 | 165 | 215 | 215 | 265 | 265 | |
φLB | 110 | 110 | 130 | 130 | 130 | 180 | 180 | 230 | 230 | |
φLC | 160 | 160 | 200 | 200 | 200 | 250 | 250 | 300 | 300 | |
LZ | M8 P1.25 | M8 P1.25 | M10 P1.5 | M10 P1.5 | M10 1.5 | M12 P1.75 | M12 P1.75 | M16 P2.0 | M16 P2.0 | |
φD W×Y 直聯(lián)功率 | 14 5×2.3 0.25/0.37 | 14 5×2.3 0.25/0.37 | 19 6×2.8 0.75 | 19 6×2.8 0.75 | 24 8×3.3 1.5 | 28 8×3.3 2.2 | 28 8×3.3 4 | 38 10×3.3 5.5 | 38 10×3.3 7.5 | |
φD W×Y 直聯(lián)功率 | 24 8×3.3 0.75 | 24 8×3.3 0.75 | ||||||||
φH | 12 | 12 | 12 | 18 | 18 | 18 | 22 | 22 | 22 | 27 |

型 號(hào) | CA | CD | CE | S | A | B | C | D | E | F | G | H | I | J | K | L | M | N |
WSH-2T | 150 | 28 | 35 | M16×1.5 | 165 | 55 | 165 | 55 | 135 | 25 | 20 | 16 | 12 | 25 | 10 | 70 | 88 | 10 |
WSH-3T | 180 | 32 | 50 | M22×2 | 195 | 65 | 195 | 65 | 160 | 30 | 25 | 20 | 14 | 32 | 10 | 80 | 98 | 13 |
WSH-5T | 180 | 35 | 50 | M28×2 | 195 | 65 | 195 | 65 | 160 | 30 | 25 | 25 | 16 | 38 | 12 | 90 | 114 | 13 |
WSH-10T | 220 | 40 | 60 | M30×2 | 255 | 95 | 225 | 65 | 200 | 40 | 32 | 32 | 20 | 45 | 14 | 100 | 138 | 16 |
WSH-15T | 220 | 45 | 63 | M36×2 | 255 | 95 | 225 | 65 | 210 | 50 | 32 | 36 | 24 | 50 | 18 | 110 | 148 | 20 |
WSH-20T | 260 | 55 | 80 | M42×2 | 294 | 114 | 250 | 70 | 135 | 55 | 35 | 44 | 26 | 65 | 21 | 125 | 178 | 25 |
WSH-30T | 300 | 65 | 80 | M56×2 | 255 | 135 | 295 | 75 | 185 | 65 | 44 | 56 | 35 | 75 | 21 | 140 | 188 | 28 |
WSH-40T | 360 | 70 | 100 | M64×2 | 410 | 150 | 355 | 95 | 330 | 70 | 54 | 60 | 38 | 80 | 25 | 170 | 218 | 30 |
WSH-50T | 435 | 75 | 120 | M75×2 | 480 | 165 | 429 | 114 | 390 | 75 | 64 | 70 | 45 | 90 | 27 | 200 | 248 | 32 |
WSH-100T | 495 | 100 | 150 | M80×2 | 545 | 200 | 485 | 140 | 445 | 100 | 70 | 80 | 55 | 100 | 27 | 280 | 358 | 35 |
WSH系列蝸桿升降機(jī)入力軸功率與負(fù)載、升降速度的關(guān)系
入力軸功率與負(fù)載、升降速度的關(guān)系
型號(hào) 大小 能力 | 升降 梯形螺紋 直徑 螺距 | 蝸輪 減速比 | 1800RPM 入力軸轉(zhuǎn)速 | 1500RPM 入力軸轉(zhuǎn)速 | 1200RPM 入力軸轉(zhuǎn)速 | ||||||
輸入功率 (kW) | 舉升負(fù)荷 (kg) | 舉升速度 (mm/mm) | 輸入功率 (kW) | 舉升負(fù)荷 (kg) | 舉升速度 (mm/mm) | 輸入功率 (kW) | 舉升負(fù)荷 (kg) | 舉升速度 (mm/mm) | |||
WSH-2T | φ25 P=5 | 1/5 | 0.93 | 500 | 1800 | 0.86 | 550 | 1500 | 0.87 | 700 | 1200 |
1/10 | 0.50 | 500 | 900 | 0.50 | 550 | 750 | 0.50 | 700 | 600 | ||
1/20 | 0.50 | 600 | 450 | 0.50 | 700 | 375 | 0.50 | 900 | 300 | ||
WSH-3T | φ32 P=6 | 1/6 | 1.31 | 700 | 1800 | 1.25 | 800 | 1500 | 1.18 | 950 | 1200 |
1/12 | 0.89 | 950 | 900 | 0.86 | 1100 | 750 | 0.81 | 1300 | 600 | ||
1/24 | 0.50 | 950 | 450 | 0.50 | 1100 | 375 | 0.50 | 1300 | 300 | ||
WSH-5T | φ38 P=6 | 1/6 | 1.86 | 900 | 1800 | 1.72 | 1000 | 1500 | 1.66 | 1200 | 1200 |
1/12 | 1.47 | 1350 | 900 | 0.36 | 1500 | 750 | 1.31 | 1800 | 600 | ||
1/24 | 1.04 | 180 | 450 | 0.96 | 2000 | 375 | 0.92 | 2400 | 300 | ||
WSH-10T | φ45 P=8 | 1/8 | 2.84 | 1300 | 1800 | 2.64 | 1450 | 1500 | 2.48 | 1700 | 1200 |
1/16 | 1.50 | 1300 | 900 | 1.40 | 1450 | 750 | 1.31 | 1700 | 600 | ||
1/32 | 1.07 | 1750 | 450 | 4.00 | 1950 | 375 | 0.92 | 2250 | 300 | ||
WSH-15T | φ50 P=8 | 1/8 | 2.69 | 1300 | 1800 | 2.50 | 1450 | 1500 | 2.35 | 1700 | 1200 |
1/16 | 1.42 | 1300 | 900 | 1.32 | 1450 | 750 | 1.24 | 1700 | 600 | ||
1/32 | 1.01 | 1750 | 450 | 0.94 | 1950 | 375 | 0.87 | 2250 | 300 | ||
WSH-20T | φ65 P=10 | 1/10 | 3.57 | 1400 | 1800 | 3.24 | 1850 | 1500 | 3.01 | 1950 | 1200 |
1/20 | 1.90 | 1600 | 900 | 1.97 | 1850 | 750 | 1.84 | 2250 | 600 | ||
1/40 | 1.53 | 2400 | 450 | 1.57 | 2800 | 375 | 1.46 | 3350 | 300 | ||
WSH-30T | φ75 P=12 | 1/12 | 4.86 | 1850 | 1800 | 4.71 | 2150 | 1500 | 4.55 | 2600 | 1200 |
1/18 | 3.56 | 1900 | 1200 | 3.59 | 2300 | 1000 | 3.44 | 2750 | 800 | ||
1/36 | 2.22 | 2200 | 600 | 2.19 | 2600 | 500 | 2.15 | 3200 | 400 | ||
WSH-40T | φ80 P=12 | 1/12 | 5.56 | 1975 | 1800 | 5.39 | 2300 | 1500 | 5.11 | 2750 | 1200 |
1/18 | 4.29 | 2125 | 1200 | 4.29 | 2550 | 1000 | 4.07 | 3025 | 800 | ||
1/36 | 2.87 | 2625 | 600 | 2.78 | 3050 | 500 | 2.66 | 3650 | 400 | ||
WSH-50T | φ90 P=14 | 1/7 | 12.7 | 2100 | 3600 | 12.3 | 2450 | 3000 | 12.1 | 2850 | 2400 |
1/14 | 7.72 | 2350 | 1800 | 7.66 | 2800 | 1500 | 1.47 | 3300 | 1200 | ||
1/28 | 5.46 | 3050 | 900 | 5.22 | 3500 | 750 | 5.24 | 4100 | 600 | ||
WSH-100 | φ100 P=16 | 1/8 | 21.8 | 3500 | 3600 | 21.5 | 4000 | 3000 | 21.2 | 5400 | 2400 |
1/16 | 15.7 | 4300 | 1800 | 15.5 | 5400 | 1500 | 14.1 | 7200 | 1200 | ||
1/32 | 11.6 | 5500 | 900 | 12.8 | 6800 | 750 | 9.86 | 10000 | 600 | ||
型號(hào) 大小 能力 | 升降 梯形螺紋 直徑 螺距 | 蝸輪 減速比 | 900RPM 入力軸轉(zhuǎn)速 | 600RPM 入力軸轉(zhuǎn)速 | 300RPM 入力軸轉(zhuǎn)速 | ||||||
輸入功率 (kW) | 舉升負(fù)荷 (kg) | 舉升速度 (mm/mm) | 輸入功率 (Kw) | 舉升負(fù)荷 (kg) | 舉升速度 (mm/mm) | 輸入功率 (kW) | 舉升負(fù)荷 (kg) | 舉升速度 (mm/mm) | |||
WSH-2T | φ25 P=5 | 1/5 | 0.84 | 900 | 900 | 0.62 | 1000 | 600 | 0.50 | 100 | 300 |
1/10 | 0.50 | 750 | 450 | 0.50 | 1000 | 300 | 0.25 | 1350 | 1500 | ||
1/20 | 0.50 | 1200 | 225 | 0.25 | 1350 | 150 | 0.25 | 1350 | 75 | ||
WSH-3T | φ32 P=6 | 1/6 | 1.22 | 1300 | 900 | 1.12 | 1800 | 600 | 0.56 | 1800 | 300 |
1/12 | 0.77 | 1650 | 450 | 0.62 | 2000 | 300 | 0.50 | 2000 | 150 | ||
1/24 | 0.50 | 1650 | 225 | 0.50 | 2000 | 150 | 0.25 | 2000 | 75 | ||
WSH-5T | φ38 P=6 | 1/6 | 1.55 | 1500 | 900 | 1.17 | 1700 | 600 | 0.72 | 2100 | 300 |
1/12 | 1.17 | 2150 | 450 | 0.78 | 2150 | 300 | 0.50 | 2500 | 150 | ||
1/24 | 0.73 | 2550 | 225 | 0.56 | 2900 | 150 | 0.50 | 2850 | 75 | ||
WSH-10T | φ45 P=8 | 1/8 | 2.30 | 2100 | 900 | 2.22 | 3050 | 600 | 1.75 | 4800 | 300 |
1/16 | 1.27 | 2200 | 450 | 1.17 | 3050 | 300 | 0.92 | 4800 | 150 | ||
1/32 | 0.86 | 2800 | 225 | 0.84 | 4100 | 150 | 0.65 | 6400 | 75 | ||
WSH-15T | φ50 P=8 | 1/8 | 2.17 | 2100 | 900 | 2.11 | 3050 | 600 | 1.66 | 4800 | 300 |
1/16 | 1020 | 2200 | 450 | 1.11 | 3050 | 300 | 0.87 | 4800 | 150 | ||
1/32 | 0.81 | 2800 | 225 | 0.79 | 4100 | 150 | 0.61 | 6400 | 75 | ||
WSH-20T | φ65 P=10 | 1/10 | 2.84 | 2450 | 900 | 2.59 | 3350 | 600 | 1.89 | 4900 | 300 |
1/20 | 1.72 | 2800 | 450 | 1.58 | 3850 | 300 | 1.15 | 5600 | 150 | ||
1/40 | 1.44 | 4400 | 225 | 1.25 | 5750 | 150 | 0.92 | 8400 | 75 | ||
WSH-30T | φ75 P=12 | 1/12 | 4.27 | 3250 | 900 | 3.94 | 4500 | 600 | 2.80 | 6400 | 300 |
1/18 | 3.28 | 3500 | 600 | 2.94 | 4700 | 400 | 0.09 | 6700 | 200 | ||
1/36 | 1.97 | 3900 | 300 | 1.82 | 5400 | 200 | 1.61 | 9600 | 100 | ||
WSH-40T | φ80 P=12 | 1/12 | 5.10 | 3625 | 900 | 4.67 | 4975 | 600 | 3.32 | 7050 | 300 |
1/18 | 4.07 | 4025 | 600 | 3.67 | 5450 | 400 | 2.60 | 7725 | 200 | ||
1/36 | 2.67 | 4875 | 300 | 2.41 | 6600 | 200 | 1.88 | 10300 | 100 | ||
WSH-50T | φ90 P=14 | 1/7 | 11.5 | 4000 | 1800 | 11.0 | 5450 | 1200 | 7.83 | 7750 | 600 |
1/14 | 7.23 | 4550 | 900 | 6.79 | 6200 | 600 | 4.79 | 8750 | 300 | ||
1/28 | 4.90 | 5850 | 450 | 4.66 | 7800 | 300 | 3.28 | 11000 | 150 | ||
WSH-100 | φ100 P=16 | 1/8 | 20.2 | 7100 | 1800 | 19.9 | 9850 | 1200 | 13.0 | 12950 | 600 |
1/16 | 14.7 | 9450 | 900 | 12.9 | 11800 | 600 | 9.50 | 17350 | 300 | ||
1/32 | 10.1 | 14300 | 450 | 9.41 | 15750 | 300 | 7.78 | 26050 | 150 | ||