

|
![]() |
|
|
|
型號\尺寸 |
a |
d3 |
i<16 |
i≥16 |
D2(H7) |
b2 |
t2 |
L2 | ||||||||
|
d1 |
l1 |
b1 |
t1 |
L1 |
d1 |
l1 |
b1 |
t1 |
L1 | |||||||
|
SCWU 125 |
125 |
235 |
32k6 |
58 |
10 |
35 |
218 |
28j6 |
42 |
8 |
31 |
202 |
60 |
18 |
64.4 |
107 |
|
SCWU 140 |
140 |
265 |
38k6 |
58 |
10 |
41 |
228 |
28j6 |
42 |
8 |
31 |
212 |
65 |
18 |
69.4 |
120 |
|
SCWU160 |
160 |
300 |
42k6 |
82 |
12 |
45 |
277 |
32k6 |
58 |
10 |
35 |
253 |
79 |
20 |
74.9 |
125 |
|
SCWU180 |
180 |
330 |
42k6 |
82 |
12 |
45 |
292 |
32k6 |
58 |
10 |
35 |
268 |
80 |
22 |
85.4 |
137.5 |
|
SCWU200 |
200 |
365 |
48k6 |
82 |
14 |
51.5 |
324 |
38k6 |
58 |
10 |
41 |
300 |
85 |
22 |
90.4 |
143 |
|
SCWU225 |
225 |
415 |
48k6 |
82 |
14 |
51.5 |
342 |
38k6 |
58 |
10 |
41 |
318 |
95 |
25 |
100.4 |
160 |
|
SCWU250 |
250 |
475 |
55k6 |
82 |
16 |
59 |
380 |
42k6 |
82 |
12 |
45 |
380 |
105 |
28 |
111.4 |
168 |
|
SCWU280 |
280 |
540 |
60m6 |
105 |
18 |
64 |
430 |
48k6 |
82 |
14 |
51.5 |
407 |
115 |
32 |
122.4 |
180 |
|
SCWU315 |
315 |
600 |
65m6 |
105 |
18 |
69 |
470 |
48k6 |
82 |
14 |
51.5 |
447 |
125 |
32 |
132.4 |
200 |
|
型號\尺寸 |
L3 |
L4 |
H1 |
H2 |
D1 |
D3 |
D4 |
B1 |
B2 |
m |
R |
h |
d2(h8) |
k |
m/kg |
|
SCWU125 |
202 |
143 |
105 |
380 |
210 |
M12×24 |
13×35 |
84 |
84 |
145 |
135 |
80 |
180 |
10 |
80 |
|
SCWU140 |
220 |
152 |
125 |
433 |
235 |
M12×24 |
13×35 |
95 |
95 |
160 |
150 |
105 |
200 |
10 |
108 |
|
SCWU160 |
245 |
158 |
125 |
470 |
270 |
M12×24 |
13×35 |
95 |
95 |
170 |
170 |
95 |
220 |
10 |
138 |
|
SCWU180 |
260 |
175 |
150 |
530 |
290 |
M16×30 |
17×45 |
110 |
110 |
200 |
190 |
125 |
245 |
12 |
183 |
|
SCWU200 |
295 |
185 |
148 |
580 |
320 |
M16×30 |
17×45 |
115 |
115 |
250 |
213 |
110 |
245 |
12 |
243 |
|
SCWU225 |
320 |
198 |
170 |
640 |
360 |
M16×30 |
17×45 |
130 |
130 |
280 |
235 |
145 |
265 |
12 |
286 |
|
SCWU250 |
360 |
203 |
150 |
682 |
420 |
M16×30 |
17×45 |
135 |
135 |
320 |
265 |
125 |
280 |
12 |
350 |
|
SCWU280 |
390 |
227 |
165 |
755 |
450 |
M20×38 |
21×55 |
150 |
150 |
380 |
295 |
130 |
350 |
14 |
483 |
|
SCWU315 |
430 |
252 |
195 |
850 |
520 |
M20×38 |
21×55 |
170 |
170 |
410 |
340 |
150 |
380 |
15 |
655
|

|
|

|
型號\尺寸 |
a |
d3 |
i<16 |
i≥16 |
D2(H7) |
b2 |
t2 |
L2 | ||||||||
|
d1 |
l1 |
b1 |
t1 |
L1 |
d1 |
l1 |
b1 |
t1 |
L1 | |||||||
|
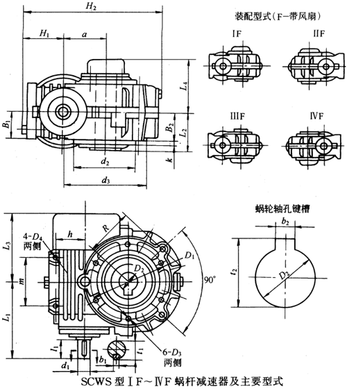
SCWS125 |
125 |
235 |
32k6 |
58 |
10 |
35 |
218 |
28j6 |
42 |
8 |
31 |
202 |
60 |
18 |
64.4 |
107 |
|
SCWS140 |
140 |
265 |
38k6 |
58 |
10 |
41 |
228 |
28j6 |
42 |
8 |
31 |
212 |
65 |
18 |
69.4 |
120 |
|
SCWS160 |
160 |
300 |
42k6 |
82 |
12 |
45 |
277 |
32k6 |
58 |
10 |
35 |
253 |
70 |
20 |
74.9 |
125 |
|
SCWS180 |
180 |
330 |
42k6 |
82 |
12 |
45 |
292 |
32k6 |
58 |
10 |
35 |
268 |
80 |
22 |
85.4 |
137.5 |
|
SCWS200 |
200 |
365 |
48k6 |
82 |
14 |
51.5 |
324 |
38k6 |
58 |
10 |
41 |
300 |
85 |
22 |
90.4 |
143 |
|
SCWS225 |
225 |
415 |
48k6 |
82 |
14 |
51.5 |
342 |
38k6 |
58 |
10 |
41 |
318 |
95 |
25 |
100.4 |
160 |
|
SCWS250 |
250 |
475 |
55k6 |
82 |
16 |
59 |
380 |
42k6 |
82 |
12 |
45 |
380 |
105 |
28 |
111.4 |
168 |
|
SCWS280 |
280 |
540 |
60m6 |
105 |
18 |
64 |
430 |
48k6 |
82 |
14 |
51.5 |
407 |
115 |
32 |
122.4 |
180 |
|
SCWS315 |
315 |
600 |
65m6 |
105 |
18 |
69 |
470 |
48k6 |
82 |
14 |
51.5 |
447 |
125 |
32 |
132.4 |
200 |
|
型號\尺寸 |
L3 |
L4 |
H1 |
H2 |
D1 |
D3 |
D4 |
B1 |
B2 |
m |
R |
h |
d2(h8) |
k |
m/kg |
|
SCWS125 |
202 |
143 |
105 |
380 |
210 |
M12×24 |
13×35 |
84 |
84 |
145 |
135 |
80 |
180 |
10 |
80 |
|
SCWS140 |
220 |
152 |
125 |
433 |
235 |
M12×24 |
13×35 |
95 |
95 |
160 |
150 |
105 |
200 |
10 |
108 |
|
SCWS160 |
245 |
158 |
125 |
470 |
270 |
M12×24 |
13×35 |
95 |
95 |
170 |
170 |
95 |
220 |
10 |
138 |
|
SCWS180 |
260 |
175 |
150 |
530 |
290 |
M16×30 |
17×45 |
110 |
110 |
200 |
190 |
125 |
245 |
12 |
183 |
|
SCWS200 |
295 |
185 |
148 |
580 |
320 |
M16×30 |
17×45 |
115 |
115 |
250 |
213 |
110 |
245 |
12 |
243 |
|
SCWS225 |
320 |
198 |
170 |
640 |
360 |
M16×30 |
17×45 |
130 |
130 |
280 |
235 |
145 |
265 |
12 |
286 |
|
SCWS250 |
360 |
203 |
150 |
682 |
420 |
M16×30 |
17×45 |
135 |
135 |
320 |
265 |
125 |
280 |
12 |
350 |
|
SCWS280 |
390 |
227 |
165 |
755 |
450 |
M20×38 |
21×55 |
150 |
150 |
380 |
295 |
130 |
350 |
14 |
483 |
|
SCWS315 |
430 |
252 |
195 |
850 |
520 |
M20×38 |
21×55 |
170 |
170 |
410 |
340 |
150 |
380 |
15 |
655 |
![]() | ||||||||||||||||||||||||||||||||||||||||||||||||||||||||||||||||||||||||||||||||||||||||||||||||||||||||||||||||||||||||||
|
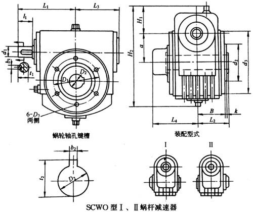
SCWO型減速器I、II裝配型式主要尺寸 /mm
| ||||||||||||||||||||||||||||||||||||||||||||||||||||||||||||||||||||||||||||||||||||||||||||||||||||||||||||||||||||||||||
|
| ||||||||||||||||||||||||||||||||||||||||||||||||||||||||||||||||||||||||||||||||||||||||||||||||||||||||||||||||||||||||||
|
型號\尺寸 |
a |
d3 |
i<16 |
i≥16 |
D2(H7) |
b2 |
t2 |
L2 | ||||||||
|
d1 |
l1 |
b1 |
t1 |
L1 |
d1 |
l1 |
b1 |
t1 |
L1 | |||||||
|
SCWO125 |
125 |
235 |
32k6 |
58 |
10 |
35 |
218 |
28j6 |
42 |
8 |
31 |
202 |
60 |
18 |
64.4 |
107 |
|
SCWO140 |
140 |
265 |
38k6 |
58 |
10 |
41 |
228 |
28j6 |
42 |
8 |
31 |
212 |
65 |
18 |
69.4 |
120 |
|
SCWO160 |
160 |
300 |
42k6 |
82 |
12 |
45 |
277 |
32k6 |
58 |
10 |
35 |
253 |
70 |
20 |
74.9 |
125 |
|
SCWO180 |
180 |
330 |
42k6 |
82 |
12 |
45 |
292 |
32k6 |
58 |
10 |
35 |
268, |
80 |
22 |
85.4 |
137.5 |
|
SCWO200 |
200 |
365 |
48k6 |
82 |
14 |
51.5 |
324 |
38k6 |
58 |
10 |
41 |
300 |
85 |
22 |
90.4 |
143 |
|
SCWO225 |
225 |
415 |
48k6 |
82 |
14 |
51.5 |
342 |
38k6 |
58 |
10 |
41 |
318 |
95 |
25 |
100.4 |
160 |
|
SCWO250 |
250 |
475 |
55k6 |
82 |
16 |
59 |
380 |
42k6 |
82 |
12 |
45 |
380 |
105 |
28 |
111.4 |
168 |
|
SCWO280 |
280 |
540 |
60m6 |
105 |
18 |
64 |
430 |
48k6 |
82 |
14 |
51.5 |
407 |
115 |
32 |
122.4 |
180 |
|
SCWO315 |
315 |
600 |
65m6 |
105 |
18 |
69 |
470 |
48k6 |
82 |
14 |
51.5 |
447 |
125 |
32 |
132.4 |
200 |
|
型號\尺寸 |
L3 |
L4 |
H1 |
H2 |
D1 |
D3 |
D4 |
B1 |
B2 |
m |
R |
d2(h8) |
k |
m/kg |
|
SCWO125 |
202 |
143 |
105 |
380 |
210 |
M12×24 |
13×35 |
84 |
84 |
145 |
135 |
180 |
10 |
80 |
|
SCWO140 |
220 |
152 |
125 |
433 |
235 |
M12×24 |
13×35 |
95 |
95 |
160 |
150 |
200 |
10 |
108 |
|
SCWO160 |
245 |
158 |
125 |
470 |
270 |
M12×24 |
13×35 |
95 |
95 |
170 |
170 |
220 |
10 |
138 |
|
SCWO180 |
260 |
175 |
150 |
530 |
290 |
M16×30 |
17×45 |
110 |
110 |
200 |
190 |
245 |
12 |
183 |
|
SCWO200 |
295 |
185 |
148 |
580 |
320 |
M16×30 |
17×45 |
115 |
115 |
250 |
213 |
245 |
12 |
243 |
|
SCWO225 |
320 |
198 |
170 |
640 |
360 |
M16×30 |
17×45 |
130 |
130 |
280 |
235 |
265 |
12 |
286 |
|
SCWO250 |
360 |
203 |
150 |
682 |
420 |
M16×30 |
17×45 |
135 |
135 |
320 |
265 |
280 |
12 |
350 |
|
SCWO280 |
390 |
227 |
165 |
755 |
450 |
M20×38 |
21×55 |
150 |
150 |
380 |
295 |
350 |
14 |
483 |
|
SCWO315 |
430 |
252 |
195 |
850 |
520 |
M20×38 |
21×55 |
170 |
170 |
410 |
340 |
380 |
15 |
655 |